
FN5-12D戶內交流高壓負荷開關(以下簡稱負荷開關適用于交流50Hz、12kV的網絡中,作為開斷負荷電流及關合短路電流之用。帶有熔斷器的負荷開關可切斷短路電流,作保護開關之用。本負荷開關可配用CS6-1型手動操作機構、本產品專用CS□手動操作機構或CJ□電動操動機構。
FN5-12R(L)型戶內交流高壓負荷開關-熔斷器組合電器經全面型式試驗和長期的試運行考核,性能達到IEC420《交流高壓負荷開關-熔斷器組合電器》(1990版)和GB3804《3-63KV交流高壓負荷開關》標準要求,與國外同類產品比較,技術參數已達到同類產品水平,具有體積小,重量輕,可用于環網柜和箱式變電站,廣泛應用于10KV線路電能的分配,可實現開關、隔離和接地三工位,并有效地避免了設備的缺相運行。
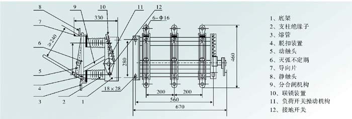
本負荷開關的外形與一般戶內隔離開關相似,開關的底部為底架,傳動機構裝于其中,若帶接地刀,還配有聯鎖機構,底架上裝有六只絕緣子起支持作用。上、下絕緣子分別裝有觸座、支座,觸刀裝在支座上,與觸座接觸后,形成了電流回路,滅弧器裝于兩觸刀片之間。

1、周圍空氣溫度上限:+40度,下限:-25度;
2、海拔高度不超過1000m;
3、相對濕度日平均值不大于95%,月平均值不大于90%;
4、地震烈度不超過8度;
5、無火災、爆炸危險,化學腐蝕及劇烈振動的場所;
6、污穢等級:Ⅱ級;
7、周圍空氣應不受腐蝕性或可燃性氣體及水蒸汽等明顯污染。




主要產品型號:FN5-12D/630-20、FN5-12D/125-31.5