
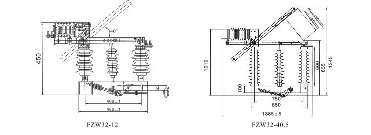
FZW32-40.5戶外高壓隔離真空負荷開關(以下簡稱負荷開關),適用于額定電壓40.5kV,額定頻率50Hz的供電網絡中,可開斷、關合負荷電流,亦可開斷一定距離的架空線路、電纜線路和電容器組的電容電流。具有分段、隔離、連接、切換等功能,適用于城網、農網、鐵路、石化等架空配電線路。該負荷開關具有開斷能力大,安全可靠,電壽命長,可頻繁操作,少維護、操作方式采用單桿手動操作,也可采用電動遠控操作、斷口明顯等優點。

1、周圍空氣溫度:上限+40度,下限-40度;
2、海拔:≤1000m(若海拔增高,則額定絕緣水平相應提高);
3、風壓:不超過7001~a(相當于風速34m/s);4、地震烈度:不超過8度;
5、污穢等級:Ⅳ級;
6、最大日溫差:不超過250C;
7、相對濕度:日平均不大于95%,月平均不大于90%;
8、無易燃、爆炸危險、化學腐蝕及劇烈振動的場所。


a、采用真空滅弧室滅弧、無爆炸危險、不須檢修。
b、隔離刀與三相真空滅弧室聯動,分閘時有明顯的隔離斷口。
c、機體的零部件全部采用不銹鋼材料,底架采用不銹鋼材料或熱鍍鋅外加防紫外線保護涂料的碳鋼,確保了機體在戶外環境下的正常運行。
d、安裝方式以單桿式、手動操作為主,也可采用電動或遠程遙控操作。
e、廣泛適用農網、城網、鐵路等配置電線路改造。
f、開斷能力大、安全可靠、電壽命長、可頻繁操作。
FZW32-40.5/630-20、FZW32-40.5/630-25、FZW32-40.5/1250-20、FZW32-40.5/1250-25