
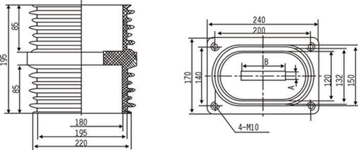
TG3-10Q穿墻套管為環氧樹脂APG工藝壓力凝膠成型結構,外形結構尺寸大小為128(100×100)mm、高225mm。主要適用于額定電壓為10KV及以下的成套設備中,作絕緣隔離和聯接過度之用。套管耐污及潮濕,無需特別維護,只需定期地清理表面污質。安裝時母排從孔內穿過。
1.戶內裝置;
2.海拔高度不超過1000M;
3.周圍氣溫+40℃~5℃;
4.當空氣溫度+20℃時,相對濕度布超過85%;
5.無嚴重影響觸頭盒絕緣的氣體、蒸汽、灰塵及其它爆炸性和腐蝕介質的場所。
| A | 8 | 10 | 12 |
| B | 62 | 82 | 102 |
